Kit motor puerta enrollable ACM Titan 170kg con electrofreno
Kit completo para motorizar persiana metálica comercial o de garaje, compuesto por:
– Motor ACM Titan 170, peso persiana hasta 170 kg con freno.
– Central de control avanzada con receptor de radio, salida pulsador y seguridad.
– 2 mandos a distancia código rotativo alta seguridad.
– Taquilla blindada para desbloqueo exterior (opcional).
Motor de alta calidad fabricado por el líder mundial ACM, con finales de carrera de fácil regulación, motor potente, fiable y duradero.
Incluye adaptadores de eje y tambor.
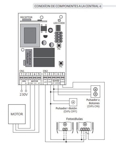
Central de control con receptor de radio incorporado y con todas las características principales como:
Salida para fotocélulas de seguridad, pulsadores de subida y bajada separados, funcionamiento hombre presente, alta de emisores via radio, etc..
Taquilla exterior blindada para desbloquear el motor en caso de avería o fallo de la corriente de red, con pulsador eléctrico para accionar el motor, y 3 llaves.
2 años de garantía.
DESCARGA DE MANUALES:
MANUAL MOTOR PERSIANA ACM TITAN 170K
MANUAL CENTRAL DE CONTROL MC101
MEDIDAS DEL MOTOR ACM TITAN;

ESQUEMA ELÉCTRICO DEL MOTOR ENROLLABLE ACM:


























Este es un kit que instale hace años y el cual ha trabajado infatigablamente. Tengo a tres vecinos que desean instalarlo por su modernidad. Recomendado. Mi opcion fue cambiar a una taquilla Motorline por su diseño. A lo cual me la canjearon instantaneamente; un vecino que es de USA ha quedado inpresionado por todo…